Bản đồ địa chỉ google maps của Xingfa Group (Thủ Đô Group)
CỬA SỔ MỞ TRƯỢT 4 CÁNH NHÔM XINGFA NHẬP KHẨU CHÍNH HÃNG 100%
-YvwB-large.webp)
Mẫu cửa sổ mở trượt 4 cánh nhôm Xingfa hệ 93 dày 2.0mm
Thông số kỹ thuật:
+ Thanh profile: nhôm Xingfa hệ 93 nhập khẩu chính hãng 100% tem đỏ Quảng Đông
+ Độ dày nhôm: thân cánh cửa và khuôn bao khung xung quanh dày 2.0mm (+- 5%)
+ Mầu sắc: trắng sứ, nâu sần ánh kim, đen tuyền, ghi sẫm, vân gỗ (mầu giả gỗ tự nhiên)..
+ Kích thước: đo đạc sản xuất và lắp ghép theo kích thước thực tế của từng công trình
+ Kính: sử dụng kính an toàn phôi việt nhật Hải Long có độ dày từ 6.38mm - 21mm
+ Gioăng kép: sử dụng gioăng kép EDPM chất lượng cao, kín khít và siêu bền bỉ
+ Phụ kiện: sử dụng phụ kiện Kinlong cao cấp nhập khẩu đồng bộ chính hãng 100%
+ Keo: sử dụng keo Dowcorning Eurowindow đặc chủng chịu nước tuyệt đối 100%
+ Keo ép góc: sử dụng keo PU88 ép góc đặc chủng nhập khẩu nguyên liệu Mỹ (USA)
+ Ốc vít: sử dụng 100% ốc vít Inox siêu cứng cáp và chống han rỉ theo thời gian
+ Bảo hành: sản phẩm nhập khẩu đồng bộ bảo hành chính hãng 5 năm
+ Website: www.XingfaGroup.vn
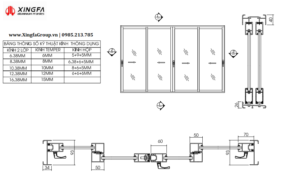
Bản vẽ kỹ thuật:

Bản vẽ kỹ thuật cửa sổ mở trượt 4 cánh nhôm Xingfa nhập khẩu
Đặc điểm nổi bật:
+ Cửa sổ mở trượt 4 cánh được thiết kế để có thể lắp đặt tại bất cứ vị trí nào trong căn phòng.
+ Cửa sổ mở trượt chịu được độ rung, chịu nén và chịu lực va đập tác động từ bên ngoài tốt.
+ Khi đóng mở cửa không ảnh hưởng đến không gian và diện tích sử dụng của căn phòng.
+ Độ an toàn và thẩm mỹ cao, tránh được nguy cơ gió đập & ngăn nước mưa thấm vào bên trong.
+ Mẫu thiết kế cửa sổ mở trượt phù hợp sử dụng tại các toà nhà cao tầng, các công trình xây dựng dân dụng, nhà mặt phố, biệt thự, khu nghỉ dưỡng resort..
+ Thân cửa được lắp ghép từ thanh profile nhôm Xingfa nhập khẩu chính hãng có các đường gân sole chịu lực và cứng cáp hơn gấp nhiều lần.
+ Mẫu thiết kế cửa sổ mở trượt lùa có các ống dẫn nước hướng ra ngoài được thiết kế trên khung cửa sẽ ngăn nước chảy vào bên trong một cách tối đa.
+ Thiết kế cửa với khuôn tương thích tạo sự kín khít tuyệt đối cản trở việc lưu thông không khí lạnh ở trong và nóng ở ngoài góp phần tiết kiệm chi phí điện cho điều hoà.
Cách âm & cách nhiệt:
+ Cửa và vách được cấu tạo từ thanh hợp kim nhôm Xingfa có cấu trúc dạng hộp chia thành nhiều khoang trống kết hợp với hệ gioăng và hệ phụ kiện kim khí đồng bộ đã tạo nên sản phẩm có khả năng cách âm tốt, cách nhiệt cao.
+ Cua so mo truot 4 canh với công nghệ ghép góc tiên tiến bậc nhất hiện nay đảm bảo cửa cứng vững, cách âm, cách nhiệt cùng độ kín, khít cao.
Kín nước & kín khí:
+ Cửa sổ mở trượt có các ống dẫn nước hướng ra ngoài được thiết kế trên khung cửa sẽ ngăn nước chẩy vào bên trong một cách tối đa.
+ Sự kín khít tuyệt đối cản trở việc lưu thông không khí lạnh ở trong và nóng ở ngoài góp phần tiết kiệm chi phí điện cho điều hoà.
Chịu áp lực gió:
+ Cửa sổ mở trượt 4 cánh nhôm Xingfa kết hợp với hệ gioăng kép và keo Dowconing Eurowindow đặc chủng giúp chắn nước tuyệt đối ngấm vào bên trong.
+ Sản phẩm chịu được áp lực gió lên đến 1600 pascal, đủ điều kiện đảm bảo an toàn cho những công trình nằm tại khu vực nhiều gió bão.
Hiệu quả kinh tế:
+ Việc sử dụng cửa hợp kim, vách nhôm và hộp kính là giải pháp tốt nhất trong việc tiết kiệm năng lượng cho các toà nhà cao tầng có nhiều mặt tiếp xúc trực tiếp với ánh năng mặt trời.
+ Thanh nhôm được xử lý bề mặt và sơn tĩnh điện với công nghệ tiên tiến sẽ có độ bền cao, luôn giữ được màu sắc và kết cấu của cửa ngay cả trong điều kiện thời tiết khắc nghiệt ở Việt Nam.
An toàn & thuận tiện:
+ Có độ cứng cao giúp tăng khả năng chịu lực, đảm bảo an toàn cho ngôi nhà.
+ Giúp mở rộng tối đa không gian và tạo được tầm nhìn bao quát cho công trình.
+ Vật liệu nhôm Xingfa nhập khẩu nhẹ góp phần làm giảm tải trọng của tổng thể công trình.
+ Với quy cách cửa mở trượt sẽ mang lại nhiều lựa chọn về không gian mở cho người sử dụng.
+ Đa dạng kích thước, kiểu dáng, phù hợp với nhiều kiểu kiến trúc từ cổ điển đến hiện đại.
Lắp đặt & bảo dưỡng:
+ Thuận tiện trong công việc thi công và lắp đặt an toàn mang đến một hệ cửa hoàn thiện cả về thiết kế thẩm mỹ và độ bền theo thời gian.
+ Cua so mo truot 4 canh nhom Xingfa nhập khẩu là sản phẩm dễ lau chùi, dễ bảo dưỡng và luôn giữ được vẻ đẹp hoàn hảo như lúc ban đầu.
Phục vụ chuyên nghiệp:
+ Thương hiệu Xingfa Group tượng trưng cho chất lượng, độ chính xác đến từng chi tiết.
+ Tiêu chuẩn sản xuất tiên tiến từ các nước Châu Âu được áp dụng nghiêm ngặt đảm bảo tính chuyên nghiệp cho cửa nhôm Xingfa trên toàn hệ thống từ sản xuất, phân phối và lắp đặt.
+ Nhu cầu của bạn có thể đáp ứng một cách dễ dàng và nhanh chóng thông qua đội ngũ CBNV chuyên nghiệp, có trình độ chuyên môn cao, thợ lành nghề.
Dây chuyền sản xuất tự động hóa CNC:
+ Cửa nhôm Xingfa nhập khẩu của Xingfa Group được sản xuất trên dây chuyền công nghệ hoàn toàn tự động hóa CNC tiên tiến bậc nhất hiện nay.
+ Dàn máy sản xuất của các hãng nổi tiếng trên thế giới như: DECA, SIKECA, ROYAL, DECASIMA, PACKER.. tạo nên một sản phẩm cửa tiêu chuẩn quốc tế, đẹp hoàn mỹ và chính xác đến từng minimet.
Công nghệ ép ke góc tự động:
+ Sử dụng ke ép góc bằng nhôm định hình Anot đặc chủng dày 5mm - 10mm đảm bảo độ cứng vững chắc tuyệt đối cho khung bao và cánh cửa.
+ Sử dụng công nghệ bấm ép góc tự động hóa bằng dàn máy hiện đại tiên tiến bậc nhất hiện nay kết hợp ke chống vênh bề mặt giúp cho cửa đạt được độ kín khít tuyệt đối & độ bền vĩnh cửu.
+ Một số các đơn vị xưởng tư nhân thủ công nhỏ lẻ không có máy móc cho công nghệ này sẽ bắt vít để cố định góc làm cho góc ghép thanh nhôm không kín khít, dễ bị nước ngắm xuyên qua, dễ bị ô xi hóa lão hóa dẫn đến độ bền cửa không được cao.
Keo ép góc PU88 đặc chủng:
+ Sử dụng keo ép góc PU88 có nguyên liệu nhập khẩu từ Mỹ (USA) giúp cho cửa khắc phục được hoàn toàn tình trạng biến dạng của cửa, đàn hồi dẻo dai, chịu được tia cực tím các chất hóa học, chống ăn mòn, chống sốc cho cửa & chống chịu nước tuyệt đối 100%.
+ Keo PU88 có tính năng chống chịu thời tiết tốt và khả năng chống lão hóa và cải thiện được độ bền của cửa, tránh việc bị phá vỡ kết cấu kết dính trong quá trình vận chuyển và trong suốt quá trình sử dụng lâu dài.
+ Keo PU88 là dạng keo trung tính, không độc hại, không vị và không gây ô nhiễm môi trường, đóng rắn nhanh và kết dính vững chắc tuyệt đối với độ bền vượt thời gian..
+ Một số đơn vị tư nhân xưởng sản xuất nhỏ lẻ sẽ không dùng keo PU88 cho khâu ép góc cửa vì giá thành của keo PU88 tương đối cao và chi phí sử dụng tương đối lớn.
Keo Dowcorning Eurowindow đặc chủng:
+ Sử dụng độc quyền gioăng kép EDPM và keo Dowcorning Eurowindow đặc chủng kín khít chịu nước tuyệt đối 100% với độ bền lên đến 50 năm.
+ Keo Dowcorning Eurowindow giãn nở gấp 60 lần và độ bền gấp 10 lần các loại keo giá rẻ kém chất lượng khác như: keo Silicon, keo Apollo, keo Foam, keo Soudal ...
Ốc vít Inox siêu cứng cáp & chống han rỉ:
+ Toàn bộ sản phẩm cửa nhôm Xingfa được sản xuất và lắp ghép bởi Xingfa Group đều sử dụng 100% bằng ốc vít Inox siêu bền bỉ chống han rỉ theo thời gian.
+ Sử dụng ốc vít Inox giúp cửa thêm cứng cáp và không bị Oxi hóa ngay cả khi lắp đặt ở những nơi có thời tiết khí hậu khắc nghiệt nhất như: mưa nắng nhiều, vùng miền biển, sa mạc hóa..
Kính an toàn Hải Long:
+ Sử dụng kính an toàn phôi việt nhật của hãng sản xuất kính Hải Long theo tiêu chuẩn quốc tế.
+ Sản xuất theo kích thước thực tế của từng công trình sau khi đo chuẩn kích thước từng bộ cửa.
+ Có thể sử dụng kính dán an toàn, kính cường lực, kính hộp cách âm cách nhiệt..
+ Kính dán an toàn như: 6.38mm, 8.38mm, 10.38mm, 12.38mm, 15.38mm..
+ Kính temper cường lực: 5mm, 8mm, 10mm, 12mm, 15mm, 19mm, 21mm..
+ Kính hộp temper cường lực: 5-6-5mm, 5-9-5mm, 8-6-8mm, 8-9-8mm, 10-9-10mm..
+ Kính hộp an toàn cường lực 6.38-6-6.38mm, 6.38-9-6.38mm, 8.38-9-8.38mm, 10.38-9-10.38mm
Phụ kiện Kinlong cao cấp:
+ Cửa nhôm Xingfa sử dụng tương thích hệ phụ kiện kim khí Kinlong cao cấp chống ăn mòn, chống gỉ lão hóa theo thời gian.
+ Phụ kiện kim khí Kinlong cao cấp nhập khẩu đồng bộ chính hãng 100% đa dạng kiểu dáng và mẫu mã cho khách hàng lựa chọn.
Độ bền vượt thời gian:
+ Hợp kim nhôm được ứng dụng đứng thứ 2 (sau thép) về sản xuất và lắp ghép.
+ Được ứng dụng cả trong công nghệ chế tạo máy bay và các thiết bị ngành hàng không.
+ Cửa nhôm Xingfa được lắp ghép từ thanh nhôm định hình profile Xingfa nhập khẩu chính hãng kết hợp với hệ phụ kiện kim khí Kinlong cao cấp.. tạo nên một hệ cửa có độ bền vượt thời gian.
Bảo hành chính hãng:
+ Bảo hành toàn bộ phần thân cửa nhôm Xingfa nhập khẩu tem đỏ Quảng Đông 5 năm và hệ phụ kiện kim khí Kinlong cao cấp đồng bộ bảo hành 2 năm.
+ Dịch vụ bảo hành của Xingfa Group chuyên nghiệp 24/7 tất cả các ngày nghỉ thứ 7, CN & các ngày nghỉ lễ tết.
VIDEO hình ảnh thực tế:
VIDEO Cửa sổ mở trượt + Vách kính cố định nhôm Xingfa nhập khẩu
VIDEO cửa sổ mở trượt 4 cánh nhôm Xingfa nhập khẩu tem đỏ Quảng Đông
VIDEO Cây nối góc vuông cửa nhôm Xingfa mở trượt mầu Nâu sần
Hình ảnh thực tế:
Mẫu cửa sổ mở trượt 4 cánh nhôm Xingfa nhập khẩu hệ 93 dày 2.0mm mầu Đen tuyền
Mẫu cửa sổ mở trượt 4 cánh nhôm Xingfa nhập khẩu tem đỏ Quảng Đông mầu Nâu sần
Mẫu cây nối góc vuông 90 độ của hệ cửa sổ mở trượt lùa nhôm Xingfa nhập khẩu
Mẫu cửa sổ mở trượt 4 cánh nhôm Xingfa nhập khẩu chính hãng tem đỏ Quảng Đông
Mẫu cửa sổ mở trượt 4 cánh nhôm Xingfa mầu Trắng sứ
Mẫu cửa sổ mở trượt lùa 4 cánh nhôm hệ Xingfa Zhongkai nhập khẩu mầu Vân gỗ
Mẫu cửa sổ mở trượt 4 cánh nhôm Xingfa chia thêm ô fix cố định bên trên
Công trình nhôm Xingfa nhập khẩu mở trượt lùa tại Flamingo Đại Lải, Vĩnh Phúc
Công trình sử dụng mẫu cửa nhôm Xingfa mở trượt tại KĐT Ecopark, Văn Giang, Hưng Yên




.png)




